无淀粉火腿肠健康吗?建议你这么选!
- 2021-12-18 12:00:46 腾讯健康
- 健康
相传是在九几年,洛阳有家春都肉联厂引进了一台日本火腿肠机,中国的第一根商品火腿肠就此诞生了。
火腿肠搭配泡面几乎是每个中国人都有的饮食记忆,但随着人们生活水平的提高,我们开始不满足于火腿肠现有的品质。
我们嫌弃它真肉太少,淀粉太多,认为这种火腿肠就是通过香精香料调味道,十分不健康。
这几年大家越来越关注食物品质,希望吃的更健康,零糖饮料已经席卷市场,火腿肠自然也早就卷起来了。
火腿肠更好了吗
是的,不少火腿肠的用料和配方都更好了,挑选时有了更多不错的选择。
火腿肠的进化,是从改变槽点开始的,最明显的槽点就是淀粉、脂肪、肉质。
首先,说说大家关注的淀粉。
买火腿肠的潜在目的还是想要吃肉,而不是吃淀粉做出来的“假肉”,所以大众一直会嫌弃火腿肠含有淀粉,觉得被“欺骗”感情。
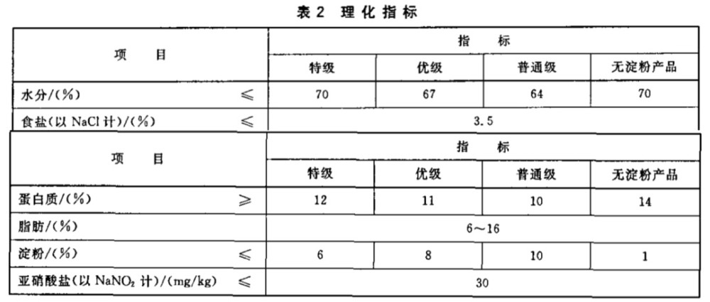
但查了下较新的行业标准《中华人民共和国国内贸易行业标准 SB/T 10279―2017》,火腿肠分四个等级,等级最低的普通级,淀粉含量也要小于10%左右。
* 国标 GB/T 20712-2006 火腿肠
特级淀粉含量小于6%,而无淀粉级淀粉含量要小于1%,淀粉用量都不大。
在火腿肠的包装上都可以见到相关的标注,就跟买酱油时看等级的方法一样!
所以当你想要吃更加“货真价实”的火腿肠,选择特级、无淀粉级比较合适。
淀粉的加入可以保持水分,改善火腿肠的口感。少量的淀粉对营养价值也没有太大影响,无须多虑。
其次,再来说下高脂肪的问题!
自己做肉肠会选择瘦肉、肥肉8:2的比例,适当的肥肉加入会让火腿肠更香。
现在很多主打健康的香肠也会在包装上写明肥瘦比例,以及肉含量,生怕消费者不知道。
而有一些火腿肠特别强调低脂,目标是健身减肥人群。
普通火腿肠脂肪含量比纯瘦肉高,但基本上跟蛋白质含量差不多,并没有像五花肉那样高。
低脂火腿肠脂肪含确实很低,但也正是因为脂肪含量低,火腿肠的香味和口感都减淡了不少,我尝了几款口感都比较松散,不够劲道。
如果你可以妥协风味,也可以选择。
最后,再来说说肉质!
我们在超市里经常能见到猪肉肠里也添加鸡肉、牛肉。其实不仅如此,有的火腿肠的生产中还会加入鸡架泥呢!
也别惊讶,这也是正常的边角料再利用,避免了食物浪费,也创造了经济价值。
从营养成分表里的数据来看,营养价值差别也不大,再加上香精香料的加入,味道差别也不算大。追求纯猪肉或者纯牛肉,更多的是对于品质和风味的追求。
但毕竟是吃个火腿肠,本身也没有鲜肉健康,追求更好的品质是对的,但不必过于执念。
要注意的是,不少人会把香肠用油煎着吃,脂肪含量会人为的继续增加。
所以,如果比较追求健康,尽量选择靠谱又好吃的香肠,用烤箱或平煎锅直接加热即可。当然,直接煮或加入炒菜也是可以的。
反正就是不要再油煎、油炸啦!
选择火腿肠时的推荐步骤:
阅读包装上的信息,优选特级、无淀粉级。
同类对比,选择脂肪含量较低的一款。
选择熟悉的大品牌、可以选择纯种肉。
进步的火腿肠健康吗
火腿肠虽然已经有了不小的进步,但整体上来说依然不是高蛋白食物的优选项。
这主要有两个原因:钠含量高、加工肉类的致癌风险。
01、钠含量高
对比了很多火腿肠,无论品质好坏,钠含量都不低,每100g的钠含量都在900mg上下晃。
一根火腿肠大概30-40g,也就是说会含有接近400mg的钠,就是1g盐了!
中国人日常饮食盐含量已经挺高了,《中国居民营养与慢性病状况报告2020年》显示,我国人均每日烹调盐摄入量为9.3g。
而世界卫生组织推荐每天盐摄入小于6g,最好低于5g,我们超标接近一倍!
而盐摄入超标,是我们饮食中的大槽点!
盐摄入超量也会引发一系列健康问题:
No.1 引起高血压
高血压流行病学调查证实,人群的血压水平和高血压的患病率均与食盐的摄入量密切相关。
No.2 引起水肿
盐摄入超量还会使得大量水分滞留体内,引起水肿,也加重肾脏负担。
No.3 促进胃癌、皮肤粗糙等问题
盐分摄入超量,会使得胃部屏障受损,增加胃部疾病风险,反复炎症还会诱发胃癌。
02、加工肉类的致癌风险
世界卫生组织(WHO)下属的国际癌症研究机构(IARC),会定期发布全球癌症负担状况评估报告,同步会有致癌物清单。
在2015年10月26日所发布的报告中,评定加工肉类为一类致癌物。
不过,这个并不是说加工肉类毒性大,只是说它当中所含有的物质已经有令人信服的证据,证明它对人类的致癌风险等级高。
这里有一部分原因,是在于加工肉里都要添加亚硝酸盐。亚硝酸盐本身没有致癌性,但它会与肉类中的氨基酸发生反应,生成有致癌风险的亚硝胺类化合物。
那不加亚硝酸盐不行吗?
不加也可以,但另一种风险就会增高,那就是肉毒梭菌。若肉毒梭菌大量繁殖,将产生致命的肉毒素,会引起急性中毒,且死亡率更高!
经过科学家们的研究发现,在肉肠中加入D-异抗坏血酸钠可以在一定程度上抑制亚硝酸盐向亚硝胺转化。但加工肉类当中仍然有一些复杂的化合物成分,在促进癌症的产生。
所以,无论从盐还是从致癌物的角度来看,火腿肠都应该只是“零食”的存在,偶尔行个方便、换个口味。
而不能大比例的替代新鲜肉类食物。
抓大放小的黄金原则
抛开计量谈毒性,都是耍流氓。
这句话在营养学和食品安全领域十分流行。
再健康的食物,吃过量也会变得不健康。没那么健康的食物,偶尔吃吃也不会造成什么威胁。
当我们生活条件好了,美食鉴赏力提升了,追求更好的食材当然毋庸置疑。
但像火腿肠这样的食物,因为本身存在“健康缺陷”,即便再优化也只能是矮子里拔将军,不值得投入太多的时间来细细分辨。
如果我们可以尽量控制食用比例,那么特别好的火腿肠和一般的火腿肠对健康的影响都不算大。
但如果你确实很爱吃,每周都要吃,选择货真价实的火腿肠至少不辜负爱吃的嘴巴。
每种食物都有其存在的历史和现实意义。
火腿肠味道香浓食用方便,不会烹饪的人,对着一块生肉会手足无措,但拿起一根火腿肠进厨房至少不会做的太难吃。
归根结底,还是要看你想要过什么样的生活,有特定的需求,就得要学习相应的知识和技能。
如果可以更轻松熟练的用新鲜食材做出美味,就不用让生活受限于没那么好吃的深加工食品啦!
本文地址:http://www.bx9y.com/jiankang/2021-12-18/563004.html
友情提示:文章内容为作者个人观点,不代表本站立场且不构成任何建议,本站拥有对此声明的最终解释权。如果读者发现稿件侵权、失实、错误等问题,可联系我们处理
- 总感觉肚子胀?或许与这5个原因有关,一一排查一下2021-12-18 12:00:47
- 少让群众跑冤枉路!疫情防控中,便民服务信息不能“拖后腿”2021-12-18 12:00:47
- 女人脱发严重,5个因素,希望你能抓住,及时“止损”2021-12-18 12:00:47
- 心肌梗塞来报道时,身体会有5个症状,需留心观察,别忽视2021-12-18 12:00:47
- 为什么肠道会长息肉?远离息肉,你需要做好这4件事2021-12-18 12:00:46
-
什么是阴痛?
2021-10-26
-
美立方国内外专家齐聚 颌面专家团再升级
2021-08-23
-
《热点聚焦》医疗机构内新冠病毒感染防控有了新要求
2021-09-15 20:00:10
-
浙大一院2021年中秋节、国庆节放假及工作安排
2021-09-12 14:00:03
-
什么是阴结?
2021-10-26 10:33:42
-
名医风采 美立方颌面国际专家团,轮廓改造天团
2021-08-23 11:48:32
-
12333异地就医备案 您关心的都在这里
2021-09-07 10:40:49
